Model Features
- MERV-8 filters
- Less than 1-watt standby power consumption
- Transformer/relay package allowing simple on/off control
- Plastic double collars for 6" direct duct connection
- Integral mounting flange and hanging bracket system
- Fully insulated case
- Large cores for high efficiency
- No condensate pan or drain required
- HVI Certified
- cULus Listed
- This product meets the requirements of Buy American (2009) and Build America, Buy America (BABA), as part of IIJA (2022). Download letter here.
Model Overview
To protect the two most valuable investments of your life, your home, and your family, improving indoor air quality is key. With S&P's TR (total recovery) Series for all climates, stale room air is exhausted, and the fresh outdoor air is brought back into the house. With this line of ERVs (Energy Recovery Ventilators) these two air streams are directed through a highly developed "air-to-air" energy exchange core. The air streams are physically separated by many layers of "plates" so there is no mixing or contamination of the fresh air. The plates are made of an engineered "resin" material that simultaneously transfers heat by conduction and humidity by attracting and moving water vapor from one air stream to the other.
S&P's TRs moderate extremes in both temperature and humidity, creating a comfortable indoor environment. The unique moisture transfer capability of the S&P core also eliminates condensation and frost build up in most applications. Unlike other ERVs on the market no mechanical or electrical defrost systems are needed, which means higher heat recovery efficiencies, easier installation and more reliable operation.
10-year core warranty, 5-year unit warranty
Core Performance for TR90/90G
| Airflow CFM | ESP in H2O | Temp EFF% | Total EFF% Winter | Total EFF% Summer |
| 36 | 0.60 | 78 | 75 | 65 |
| 53 | 0.50 | 74 | 69 | 58 |
| 68 | 0.40 | 70 | 65 | 53 |
| 81 | 0.30 | 67 | 61 | 49 |
| 93 | 0.20 | 64 | 58 | 45 |
| 108 | 0.10 | 61 | 55 | 42 |
Core Performance for TR130
| Airflow CFM | ESP in H2O | Temp EFF% | Total EFF% Winter | Total EFF% Summer |
| 78 | 0.60 | 78 | 73 | 59 |
| 104 | 0.50 | 75 | 69 | 54 |
| 125 | 0.40 | 72 | 66 | 50 |
| 136 | 0.30 | 71 | 64 | 48 |
| 153 | 0.20 | 68 | 61 | 45 |
| 163 | 0.10 | 67 | 59 | 42 |
Core Performance for TR200
| Airflow CFM | ESP in H2O | Temp EFF% | Total EFF% Winter | Total EFF% Summer |
| 95 | 0.80 | 83 | 79 | 68 |
| 131 | 0.70 | 80 | 76 | 64 |
| 157 | 0.60 | 79 | 74 | 62 |
| 172 | 0.50 | 78 | 73 | 61 |
| 182 | 0.40 | 77 | 72 | 60 |
| 189 | 0.30 | 77 | 71 | 59 |
| 195 | 0.20 | 76 | 71 | 59 |
| 206 | 0.10 | 76 | 70 | 58 |
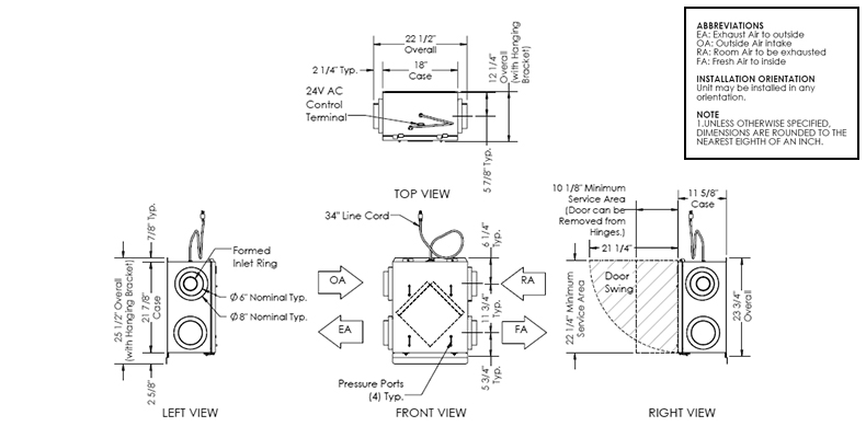
Dimensions for TR90/90G
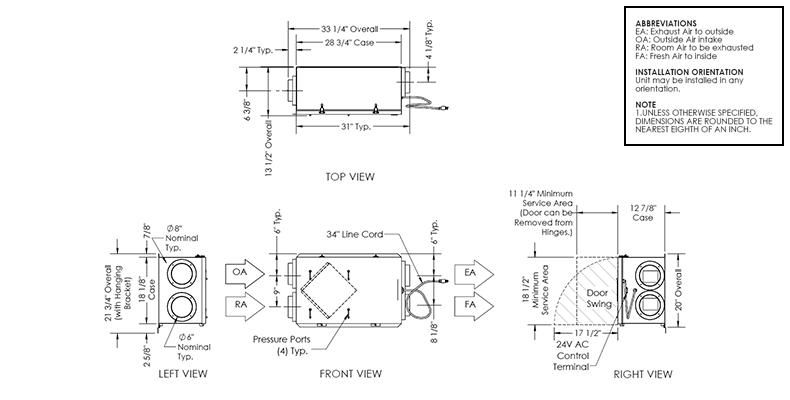
Dimensions for TR130
Dimensions for TR200
Additional accessories are available for certain products. Contact your S&P Representative for more information about these accessories.
Standard Accessories
| 990076 | Universal filters (10 packs of filter media) for TR90(G) thru TR200 | Submittal |
| 990447 | Universal filters (3 packs of filter media) for TR90(G) thru TR200 | Submittal |
| 990756 | MERV 13 filter (3 packs of filter) for TR90/TR90G ERV | |
| 990757 | MERV 13 filter (3 packs of filter) for TR130 ERV | |
| 990759 | MERV 13 filter (3 packs of filter) for TR200 ERV | |
| 990761 | MERV 13 filter (10 packs of filter) for TR90/TR90G ERV | |
| 990762 | MERV 13 filter (10 packs of filter) for TR130 ERV | |
| 990764 | MERV 13 filter (10 packs of filter) for TR200 ERV | |
| 990766 | MERV 13 filter (25 packs of filter) for TR90/TR90G ERV | |
| 990767 | MERV 13 filter (25 packs of filter) for TR130 ERV | |
| 990769 | MERV 13 filter (25 packs of filter) for TR200 ERV | |
| CAR | Metal Backdraft Damper | Submittal |
| BD6 | 6-inch Gravity Backdraft Damper for TR90(G) thru TR200 | |
| BD8 | 8-inch Gravity Backdraft Damper for TR90(G) thru TR200 | |
| DH6-120V | In-line Duct Heater | Submittal |
| FA8-G | 8-inch Galvanized Metal Wall Cap for TR90(G) thru TR200 | |
| FA8-P | 8-inch Paintable Metal Wall Cap for TR90(G) thru TR200 | |
| FT247 | 24/7 Programmable Fan Timer | Submittal |
| MD | Motorized Backdraft Damper | Submittal |
| SCO2-W | Carbon Dioxide Control - Wall Mount | IOM |
| SMC-C | MOTION OCCUPANCY CONTROL CEILING | IOM |
| SMC-W | MOTION OCCUPANCY CONTROL WALL | IOM |
| SFM | Percentage Timer Control with Furnace Interlock | IOM |
| SPBL | Push Button Point-of-Use Control | IOM |
| SPTL | Percentage Timer Control | IOM |
| STC7D | Digital Time Clock | IOM |
| VB106 | 6-inch Brown Vinyl Wall Cap for TR90(G) thru TR200 | |
| VT8 | 8-inch Taupe Vinyl Wall Cap for TR90(G) thru TR200 | |
| VW106 | 6-inch White Vinyl Wall Cap for TR90(G) thru TR200 | |
| VW12x8 | 12x8-inch Louver to 8-inch Galvanized Metal Wall Cap for TR90(G) thru TR200 |
- General/Clean Air
- Contaminated Air
- Energy Recovery
