Model Features
- EC Motor
- MERV-8 filters
- Transformer/relay package allowing simple on/off control
- AHRI Certified
- cETLus Listed
- Ecowatt®
- This product meets the requirements of Buy American (2009) and Build America, Buy America (BABA), as part of IIJA (2022).Download letter here.
![]()
Model Overview
With S&P's TRCeN (total recovery for commercial applications) Series with EC Motor for all climates, stale room air is exhausted, and the fresh outdoor air is brought back into the building. With this line of ERVs (Energy Recovery Ventilators) these two air streams are directed through a highly developed "air-to-air" energy exchange core. The air streams are physically separated by many layers of "plates" so there is no mixing or contamination of the fresh air. The plates are made of an engineered "resin" material that simultaneously transfers heat by conduction and humidity by attracting and moving water vapor from one air stream to the other.
S&P's TRCeNs moderate extremes in both temperature and humidity, creating a comfortable indoor environment. The unique moisture transfer capability of the S&P core also eliminates condensation and frost build up in most applications. Unlike other ERVs on the market no mechanical or electrical defrost systems are needed, which means higher heat recovery efficiencies, easier installation and more reliable operation.
With an included EC motor and HVI certification, these Total Recovery models meet all of the requirements for the Ecowatt® standard for energy-efficient products. The Ecowatt® standard is used to classify energy-efficient products that use Electronically Commutated (EC) or Direct Current (DC) motors that have certified performance from AMCA or HVI.
10-year core warranty, 2-year unit warranty.
Airflow Performance for TRCeN500
| Airflow CFM | ESP in H2O | Watts |
| 133 | 2.32 | 278 |
| 196 | 2.14 | 323 |
| 285 | 1.76 | 383 |
| 322 | 1.55 | 402 |
| 385 | 1.08 | 418 |
| 448 | 0.48 | 408 |
| 488 | 0.00 | 384 |
Airflow Performance for TRCeN500V
| Airflow CFM | ESP in H2O | Watts |
| 133 | 2.32 | 278 |
| 196 | 2.14 | 323 |
| 285 | 1.76 | 383 |
| 322 | 1.55 | 402 |
| 385 | 1.08 | 418 |
| 448 | 0.48 | 408 |
| 488 | 0.00 | 384 |
Airflow Performance for TRCeN800
| Airflow CFM | ESP in H2O | Watts |
| 200 | 2.95 | 571 |
| 295 | 2.84 | 658 |
| 390 | 2.69 | 737 |
| 495 | 2.50 | 813 |
| 580 | 2.30 | 864 |
| 675 | 2.01 | 900 |
| 770 | 1.60 | 900 |
| 865 | 1.20 | 900 |
| 960 | 0.81 | 900 |
| 1055 | 0.41 | 900 |
| 1150 | 0.01 | 900 |
Airflow Performance for TRCeN800V
| Airflow CFM | ESP in H2O | Watts |
| 200 | 2.95 | 571 |
| 295 | 2.84 | 658 |
| 390 | 2.69 | 737 |
| 495 | 2.50 | 813 |
| 580 | 2.30 | 864 |
| 675 | 2.01 | 900 |
| 770 | 1.60 | 900 |
| 865 | 1.20 | 900 |
| 960 | 0.81 | 900 |
| 1055 | 0.41 | 900 |
| 1150 | 0.01 | 900 |
Airflow Performance for TRCeN1200H-115 MOTOR 1P/120V
| Airflow CFM | ESP in H2O | Watts |
| 295 | 2.12 | 599 |
| 435 | 2.01 | 685 |
| 575 | 1.88 | 764 |
| 715 | 1.7 | 834 |
| 855 | 1.49 | 894 |
| 995 | 1.24 | 942 |
| 1135 | 0.95 | 975 |
| 1275 | 0.61 | 992 |
| 1415 | 0.23 | 991 |
| 1492 | 0 | 982 |
Airflow Performance for TRCeN1200H-230 MOTOR 1P/208-230V
| Airflow CFM | ESP in H2O | Watts |
| 295 | 3.06 | 913 |
| 435 | 2.95 | 1007 |
| 575 | 2.79 | 1096 |
| 715 | 2.6 | 1178 |
| 855 | 2.37 | 1250 |
| 995 | 2.11 | 1310 |
| 1135 | 1.81 | 1357 |
| 1275 | 1.48 | 1388 |
| 1415 | 1.12 | 1401 |
| 1492 | 0.91 | 1400 |
| 1695 | 0.32 | 1365 |
| 1695 | 0 | 1258 |
Airflow Performance for TRCeN1600H MOTOR 1P/208-230V
| Airflow CFM | ESP in H2O | Watts |
| 400 | 3.12 | 1026 |
| 590 | 2.98 | 1133 |
| 780 | 2.78 | 1234 |
| 970 | 2.53 | 1322 |
| 1160 | 2.22 | 1391 |
| 1350 | 1.85 | 1434 |
| 1540 | 1.42 | 1446 |
| 1730 | 0.93 | 1420 |
| 1920 | 0.38 | 1349 |
| 2038 | 0 | 1280 |
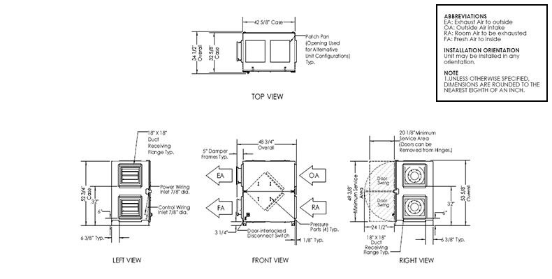
Dimensions for TRCeN500
Dimensions for TRCeN500V
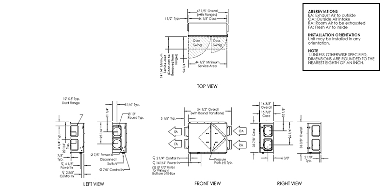
Dimensions for TRCeN800
Dimensions for TRCeN800V
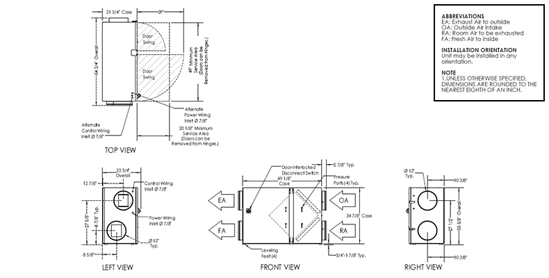
Dimensions for TRCeN1200H
Dimensions for TRCeN1600H
Additional accessories are available for certain products. Contact your S&P USA Ventilation Systems Representative for more information about these accessories.
TRCeN500-230 and TRCeN500V-230
Electrical/ Control Accessories
| SPBACNETFC-W | BACnet Fan Control Supplement | IOM |
| SCO2-W | CO2 CONTROL WALL MOUNT | IOM |
| SMC-C | MOTION OCCUPANCY CONTROL CEILING | IOM |
| SMC-W | MOTION OCCUPANCY CONTROL WALL | IOM |
| STC7D-W | DIGITAL TIME CLOCK - WALL MOUNT | IOM |
TRCeN800-230 and TRCeN800V-230
Electrical/ Control Accessories
| SPBACNETFC-W | BACnet Fan Control Supplement | IOM |
| SCO2-W | CO2 CONTROL WALL MOUNT | IOM |
| SMC-C | MOTION OCCUPANCY CONTROL CEILING | IOM |
| SMC-W | MOTION OCCUPANCY CONTROL WALL | IOM |
| STC7D-W | DIGITAL TIME CLOCK - WALL MOUNT | IOM |
TRCeN1200
Electrical/ Control Accessories
| SPBACNETFC-W | BACnet Fan Control Supplement | IOM |
| SCO2-W | CO2 CONTROL WALL MOUNT | IOM |
| SMC-C | MOTION OCCUPANCY CONTROL CEILING | |
| SMC-W | MOTION OCCUPANCY CONTROL WALL | |
| STC7D-W | DIGITAL TIME CLOCK - WALL MOUNT | IOM |
General Accessories
| 102402 | Backdraft Damper, TRCeN500, P/N 102402 10" BD10 | |
| 102407 | Wall Cap, TRCeN500, P/N 102407 10" Galvanized, FA10-G | |
| 102410 | Wall Cap, TRCeN500, P/N 102410 10" Paintable Galvanneal, FA10-P | |
| 102413 | Louver, TRCeN500, P/N 102413 10" Round Duct Connection - 12" (W) x 12" (H), VW12X12 | |
| 102411 | Wall Cap, TRCeN500-800, P/N 102411 12" Paintable Galvanneal, FA12-P | |
| 102403 | Backdraft Damper, TRCeN500-800, P/N 102403 12" BD12 | |
| 102408 | Wall Cap, TRCeN500-800, P/N 102408 12" Galvanized, FA12-G | |
| 147594 | Hanging Bracket Kit, TRCeN500-1200, P/N 147594 07/10HEHB | |
| 147594 | Hanging Bracket Kit, TRCeN500-1200, P/N 147594 07/10HEHB | |
| 147595 | Vibration Isolator, TRCeN500-1200, P/N 147595 50 lb, VIBH50 | |
| 147596 | Vibration Isolator, TRCeN500-1200, P/N 147596 70 lb, VIBH70 | |
| 147597 | Vibration Isolator, TRCeN500-1600, P/N 147597 85 lb, VIBH85 | |
| 147598 | Vibration Isolator, TRCeN500-1600, P/N 147598 100 lb, VIBH100 | |
| 147888 | Vibration Isolator, TRCeN1200-1600, P/N 147888 150 lb, VIBH150 | |
| 147599 | Flange Kit, TRCeN500, P/N 147599 Rectangular 12" x 12", 2 flanges 07HEDF | |
| 147600 | Flange Kit, TRCeN800, P/N 147600 Rectangular 14" x 14", 2 flanges 10HEDF | |
| 147699 | Flange Kit, TRCeN1200, P/N 147699 Rectangular 16" x 16", 2 flanges 15HEDF | |
| 147887 | Flange Kit, TRCeN1600, P/N 147887 Rectangular 16" x 22", 2 flanges 20HEDF |
- General/Clean Air
- Contaminated Air
- Energy Recovery