Model Features
- Rated up to 20,000 CFM in static pressure applications up to 2-1/2" w.g.
- Motor and drives are located outside of the airstream
- Two threaded drain connections aid maintenance and serviceability operations.
- Ideal for applications where space is limited
- Belt drives permit easy performance adjustments when needed
- Continuously welded and epoxy painted steel housing
- For indoor use only
- AMCA Air,Sound and FEI certified
- cULus 705 or 762 Listed
- This product meets the requirements of Buy American (2009) and Build America, Buy America (BABA), as part of IIJA (2022). Download letter here.
![]()
Model Overview
The Inline Tubular Centrifugal (CTB) series offers one of the widest ranges of sizes, horsepower, and performance in the industry. Models CTB are high capacity belt drive tubular centrifugal fans rated from 300 to 20,000 CFM, with static pressure capability up to 2-1/2". These fans are designed for commercial and industrial in-line applications that demand quiet, efficient and reliable air movement. They are used to exhaust air from or supply air to commercial and industrial applications, such as, general building ventilation, enclosed garages, paint spray booths, heat and smoke ventilation systems, restaurant and kitchen exhaust ventilation, historical buildings with limited roof space and restrictive duct lengths, and other applications where air is moved through a duct system against moderate static pressure.
The CTBRHUL is specifically suited for restaurant exhaust where roof space is limited; sidewall mounted fans are prohibited, or duct lengths are restricted. The CTBRHUL is also perfect in areas where extreme weather and outside air temperatures are a concern when maintenance on the fan is needed.
The centrifugal wheel is designed to provide higher efficiencies and lower sound levels than propeller type fans when used in medium pressure duct systems. Tubular centrifugal fans can be mounted in any position providing for installations in the smallest possible space.
2-year fan housing warranty, 1-year motor warranty
| Size | CFM Range | Max SP |
| 9 | 300 to 350 | 2" |
| 11 | 500 to 1,950 | 2-1/4" |
| 13 | 600 to 2,900 | 2" |
| 15 | 900 to 3,600 | 2-1/2" |
| 18 | 1,200 to 5,700 | 2-1/2" |
| 22 | 1,200 to 6,800 | 2" |
| 24 | 2,000 to 10,000 | 2-1/2" |
| 30 | 2,250 to 14,250 | 2-1/2" |
| 36 | 4,600 to 17,700 | 1-3/4" |
| 42 | 8,300 to 20,300 | 1-1/4" |
CTB
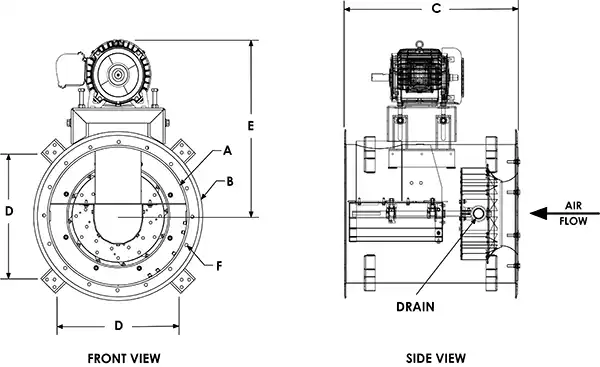
Dimensional data is displayed in inches.
| Size | I.D. A |
O.D. B |
Length C |
D | B.C.D. | E (Max) |
| 9 | 18-3/8 | 22-1/2 | 23 | 17-15/16 | 19-3/4 | 24 |
| 11 | 18-3/8 | 22-1/2 | 23 | 17-15/16 | 19-3/4 | 24 |
| 13 | 20-3/8 | 24-1/2 | 24-1/2 | 18-3/8 | 21-3/4 | 25 |
| 15 | 24-3/8 | 28-9/16 | 25-1/2 | 21-1/4 | 25-3/4 | 29 |
| 18 | 30-3/8 | 34-9/16 | 31 | 25-1/2 | 32 | 31 |
| 22 | 36-3/8 | 40-9/16 | 35-1/2 | 29-13/16 | 38 | 33-1/2 |
| 24 | 42-1/2 | 47 | 42 | 34-1/8 | 44-1/4 | 34-1/2 |
| 30 | 48-1/2 | 53 | 48-1/2 | 38-3/8 | 50-3/4 | 40-1/2 |
| 36 | 55 | 59-1/2 | 54 | 43 | 57-1/4 | 44 |
| 42 | 61 | 65-1/2 | 59-1/2 | 47-1/4 | 63-1/4 | 45 |
Highlighted cells indicate that the motor may extend past unit size.
CTBRHUL
Dimensional data is displayed in inches.
| Size | I.D. A |
O.D. B |
Length C |
D | B.C.D. | E (Max) |
| 9 | 18-3/8 | 22-1/2 | 23 | 17-15/16 | 19-3/4 | 24 |
| 11 | 18-3/8 | 22-1/2 | 23 | 17-15/16 | 19-3/4 | 24 |
| 13 | 20-3/8 | 24-1/2 | 24-1/2 | 18-3/8 | 21-3/4 | 25 |
| 15 | 24-3/8 | 28-9/16 | 25-1/2 | 21-1/4 | 25-3/4 | 29 |
| 18 | 30-3/8 | 34-9/16 | 31 | 25-1/2 | 32 | 31 |
| 22 | 36-3/8 | 40-9/16 | 35-1/2 | 29-13/16 | 38 | 33-1/2 |
| 24 | 42-1/2 | 47 | 42 | 34-1/8 | 44-1/4 | 34-1/2 |
| 30 | 48-1/2 | 53 | 48-1/2 | 38-3/8 | 50-3/4 | 40-1/2 |
| 36 | 55 | 59-1/2 | 54 | 43 | 57-1/4 | 44 |
| 42 | 61 | 65-1/2 | 59-1/2 | 47-1/4 | 63-1/4 | 45 |
Highlighted cells indicate that the motor may extend past unit size.
Additional accessories are available for certain products. Contact your S&P Representative for more information about these accessories.
Standard Accessories
| Hanging Bracket/Mounting Foot with Hanging Spring Isolator | |
| Mounting Rails | |
| Inlet Guard | |
| Outlet Guard | |
| Inspection Door | |
| Companion Flanges | |
| Belt Guard | |
| Motor Cover | |
| Shaft Seal | |
| Disconnect Switches | |
| Rubber Isolator | |
| Spring Isolator |
- General/Clean Air
- Grease/Restaurant (UL 762 / CTBRHUL ONLY)
- High Temperature above 200°F